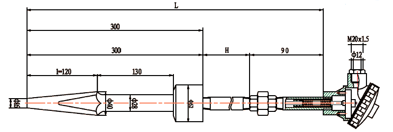
熱套式熱電偶
熱套式熱電偶主要用于測量鍋爐或管道的蒸汽溫度。為了抵御高溫、高壓和高流速的蒸汽沖擊,采用約為100mm的置入深度,為了避免因置入深度不足帶來的測溫誤差,又采用帶三棱面的深盲孔整體加工保護管,筒形熱套與主設備組合焊接方法,利用三棱面和熱套內孔之間的間隙,使熱套內充滿高溫介質,有效地增加了置入深度。





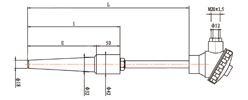
高溫高壓熱電偶
高溫、高壓熱電偶其保護管采用焊接的方法與主設備聯接、固定、密封。主要用來測量電廠管路的高溫、高壓蒸汽或水溫。

中溫中壓熱電偶
中溫中壓熱電偶、熱電阻其保護管采用焊接方式與主設備聯接、固定、密封。主要用來測量電廠管路蒸汽或水溫。


低溫低壓熱電偶
低溫低壓熱電偶、熱電阻采用固定螺紋與主設備密封聯接,主要用來測量低溫和低壓的蒸汽和水溫。

主要用于測量電站各種帶有軸承設備的軸承溫度,由于產品采用防震結構,使測量端緊貼被測軸承表面,從而提高了溫度測量的準確度。
