PSL直行程執行器結構特點
1、PSL直行程電動執行機構行程可調,便于與閥門連接。
2、全部電器元件均采用世界名牌產品,質量可靠,使用壽命長。
3、PSL系列執行器的的電器部件布線嚴謹并與傳動部件完全隔離,高構運行可靠性
4、PSL系列執行機構采用柔性盤簧與閥門連接,可避免閥桿與輸出軸不同軸給閥門帶來的影響,可預置閥門關斷力,保證閥門的可靠關斷,防止泄漏。
5、PSL電動頭結構簡單、體積小巧、重量輕,易安裝維護;機械零件全部采用CNC加工制作,工藝精湛。
6、PSL電動執行機構為一體化結構設計,位置變送器和伺服放大器做為兩個獨立部件均可直接裝入執行機構內部,直接接受4-20mA控制信號,輸出4-20mA或1-5VDC閥位反饋信號,具有自診斷功能,使用和調校十分方便。
7、功能模塊式結構設計,通過不同選件的組合,實現從簡單到復雜的控制,滿足不同應用要求。
8、傳動全部采用小齒隙密封齒輪,具有效率高、噪聲低、壽命長、穩定可靠、無需再加油。
9、有多種運行速度,可滿足各種控制系統的要求,以保證系統的快速響應及穩定性。
10、PSL執行器上的驅動電機采用高性能稀土磁性材料制作的高速同步電機,運行平穩。具有體積小、力矩大、抗堵轉、控制精度高等優點。
11、可設置分段調節,即由一臺PID調節器輸出的雙時間比例信號控制兩臺執行機構(4-12mA對應PSL1的全開\全閉,12-20mA對應PSL2的全開\全閉)。
13、閥位反饋元件采用全密封高精度多圈電位器,具有體積小、精度高、死區小、使用壽命長等特點。

PSL電動頭結構
PSL直行程執行機構主要是由相互隔離的電器控制部分和齒輪傳動部分組成。電機作為連接兩隔離部分的中間部件,電機按控制要求輸出轉矩,通過多極正齒輪傳遞到梯形絲桿上,絲桿通過桿螺紋變換轉矩為推力。此桿螺紋能自鎖,并且將直線行程通過與閥門的適配器傳遞到閥桿。執行機構出軸帶有一個防止轉動的止轉銷,出軸的徑向鎖定裝置可以作為位置指示器。鎖定裝置連有一個連桿,連桿隨輸出軸同步運行,通過與連桿連接的線路板將輸出軸位移轉換成電信號,提供給伺服放大器做為比較信號和閥位反饋輸出,同時執行機構的行程也可由開關板上的兩個主限位開關來限制,并由兩個機械限位檔塊來調整限定位置。
技術參數
PSL直行程電動執行機構最大行程達到100mm,最大推力可達到25KN,適合于直線動作的閥門開關和調節控制。
PSL直行程電動執行機構選型表
訂貨型號由以下五部分組成,組成內容如下:

備注說明
1、備注①:不選此功能,型號僅用于開關控制。
2、備注②:僅選此功能,輸出閥位0-1000Ω電阻信號。
3、備注③:輸入4-20mA或1-5V,輸出4-20mA,用于調節動作方式,選此功能需同時選擇POT功能
可選附加功能組件說明
1.附加功能組件圖
|
附加功能組件 |
訂貨代碼 |
說 明 |
|
附加限位 |
2WE |
在適當位置輸出無源觸點信號(220VAC,5A) |
|
單反饋電位器 |
POT |
輸出一組0-1000Ω電阻信號(調節動作時接入伺服入大器作為實際閥位值) |
|
雙反饋電位器 |
POT2 |
輸出兩組0-1000Ω電阻信號 |
|
加熱電阻 |
HR |
環境溫度低于-20℃時加裝 |
|
智能控制器 |
PSAP4 |
執行器調節動作時選用,輸入/輸出4-20mA |
|
獨立位置變送器 |
PSMF |
步進動作模式,采用無源觸點控制,輸出4-20mA |
|
PSMF2AC |
步進動作模式,采用有源觸點(220VAC)控制,輸出4-20mA |
|
|
就地控制箱 |
PSML |
實現遠程與就地開關切換及就地開/關/停執行機構 |
|
特殊電壓 |
PSMS |
115/24VAC;380VAC3;24VDC |
|
執行器故障安全自保 |
PSMR |
故障安全保模式,發生故障后釋放機械能驅動閥門到安全位置 |

智能控制器PSAP4
1、PSAP4為PS電動執行機構配套的智能比例式伺服電路。采用SMT工藝技術,具有體積小,可靠性高等特點。該電路將控制執行機構的4-20mA電流信號,與執行機構當前位置信號進行比較,并根據偏差情況,控制電動執行機構開或關動作,使執行機構位置與輸入信號平衡。
2、PSAP4在實現執行機構隨輸入4-20mA信號動作的同時,還向系統提供一組與工作電源、輸入信號以及位置變換電路相隔離的4-20mA位置信號。
3、PSAP4能方便地調整執行機構的起始位置和行程;通過修改菜單,可實現正、反作用的切換和輸入信號故障時執行機構所處位置的設定。
4、電路原理見下圖,智能控制器以專用單片微處理器為基礎,通過輸入回路模擬信號、閥位電阻信號轉換數字信號,微處理器根據采樣結果通過人工智能控制軟件后,顯示結果及輸出控制信號。
PSL電動執行機構工作原理圖
5、PSAP4主要技術參數
電源:220VAC/50Hz
功耗:5VA
開關容量:150VA(24V/50VA)
輸入信號:4-20mA/1-5V
輸入阻抗:250Ω/500KΩ
輸出信號:4-20mA時≤650Ω
絕緣電阻:主電路-控制電路:100MΩ/500VDC;控制電路-輸出電路:100MΩ/500VDC;輸出電路-主電路:100MΩ/500VDC
重復精度:±1%
靈敏度:±(0.5-5%)FS
滯后:50%靈敏度
環境溫度:-10~+70℃
儲存溫度:-20~+50℃
就地控制操作箱PSML
就地控制PSML可以實現現場電控動作執行機構。控制信號可以通過選擇開關在“就地”和“遠程”間切換,切換到“就地”后通過手動按鈕開/停/關執行機構。中間開關位置通常是“停”,通過扳動開關可以使執行機構在兩個方向動作,釋放扳動開關,開關彈回中間位置。
PSL直行程電動執行機構機械連接
PSL直行程執行機構設計兩個支架和一個連接件與閥門相連。
1、柔性連接
PSL直行程電動執行機構配備有彈性連接器可以阻尼壓力峰值及補償熱膨脹,另外還可以確保由“推力/行程”決定閥位終端的限位關斷,根據閥門的使用情況不同,彈性連接安裝如下:

2、PSL直行程執行機構如何與閥門連接
A、連接前準備
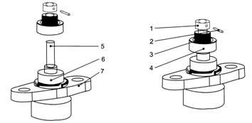
閥門需設計有合適的法蘭以滿足執行機構改革的連桿連接。PSL電動執行機構與閥門的連接需注意以下幾點:
①旋松保持螺母并套在閥桿上。
②根據上圖安裝盤簧。
③連接件套在閥桿上,通過銷孔連接
④如果閥桿帶螺紋,連接件可以加工成相應內螺紋,為防止安裝后旋轉,為防止安裝后旋轉,或者通過銷孔連接或者在保持螺母下方并上雙螺母
注:①連接件;②銷;④盤簧;⑤閥桿;⑥閥體;⑦安裝托座
B、與閥門連接
PSL電動執行機構可以通過連桿與閥門連接。
①首先需要閥桿與執行機構出軸完全正確縮回。警告:只能用手輪操作執行機構出軸
②執行機構連桿插入閥門安裝法蘭孔,上緊連桿螺母。
③根據閥門情況放置盤簧。
④手動執行機構出軸到連接件。
⑤旋轉保持螺母到執行機構出軸使連接配合并旋緊。
⑥用特殊板手堅固保持螺母。
PSL直行程執行機構使用須知
為了進行正確的安裝和減少客戶的維護工作,在此強調以下幾點:
1、PSL電動執行機構與閥門連接時先將執行器安裝于閥上,再將支架上兩個M16(或M20)螺母帶上但不要板緊,然后安裝好連接件并用專用板手板緊保持螺母,再手動該執行器上下運行兩遍,使閥桿與執行器輸出軸自動找正,保持同軸,然后再擰緊M16(或M20)螺母。
2、PSL電動執行結構與閥門為柔性連接,如果將連接方法改為剛性連接則會引起調試的困難及故障的發生,此情況下不在昌暉儀表保修范圍之列。
3、PSL執行器與閥門連接完成后,全關時(以下端關上端開為例)銅套外露值d不得超過額定行程(PSL201和PSL202為5mm,PSL208和PSL210為6mm,PSL312、PSL314、PSL316、PSL320和PSL325為100mm),見下圖。
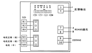
電氣接線圖
1、PSL直行程執行機構開關動作模式電氣接線圖
打開機殼即可看見如圖示竟,PSL執行機構外殼內有端子條用于電氣接線,選擇適當的電源線與執行機構相連,建議使用Φ1.0(mm)導線。
①開關動作模式、反饋信號輸出為0-1000Ω
控制輸入:電機正轉、反轉相線及中線(3根線);輸出:0-1000Ω反饋信號(3根線) ;電源:220CVAC(2根線)
例1:PSL201-1KN-220V/50Hz-WS-**-POT 例2:PSL202-2KN-220V/50Hz-WS-**-POT
例3:PSL204-4KN-220V/50Hz-WS-**-POT 例4:PSL208-8KN-220V/50Hz-WS-**-POT
例5:PSL210-10KN-220V/50Hz-WS-**-POT 例6:PSL312-12KN-220V/50Hz-WS-**-POT
例7:PSL314-14KN-220V/50Hz-WS-**-POT 例8:PSL316-16KN-220V/50Hz-WS-**-POT
例9:PSL320-20KN-220V/50Hz-WS-**-POT 例10:PSL325-25KN-220V/50Hz-WS-**-POT
②開關動作模式、反饋信號輸出為0-1000Ω時PSL執行器接線為7根導線
控制輸入:電機正轉、反轉相線及中線(3根);輸出:4-20mA反饋信號(2根);電源:220CVAC(2根)
2、調節動作模式電氣接線
控制輸入:4-20mA/1-5V(2根);輸出:4-20mA反饋信號(2根);電源:220CVAC(2根)
例1:PSL201-1KN-220V/50Hz-WS-**-PSAP4 例2:PSL202-2KN-220V/50Hz-WS-**-PSAP4
例3:PSL204-4KN-220V/50Hz-WS-**-PSAP4 例4:PSL208-8KN-220V/50Hz-WS-**-PSAP4
例5:PSL210-10KN-220V/50Hz-WS-**-PSAP4 例6:PSL312-12KN-220V/50Hz-WS-**-PSAP4
例7:PSL314-14KN-220V/50Hz-WS-**-PSAP4 例8:PSL316-16KN-220V/50Hz-WS-**-PSAP4
例9:PSL320-20KN-220V/50Hz-WS-**-PSAP4 例10:PSL325-25KN-220V/50Hz-WS-**-PSAP4
如何調試PSL系列直行程電動執行機構
1、PSL直行程執行機構的限位開關的調整
執行機構與閥門連接后,必須設定PSL執行機構以滿足閥門控制的要求,根據閥門類型調整執行機構的限位開關是決定于“行程”或“關斷力/行程”。
基本原則
①對于直通閥,首先根據“關斷力/行程”設置關的位置,然后根據閥門的額定行程設置開的位置。
②對于三通閥,根據“關斷力/行程”設置二個終端位置,根據“關斷力/行程”決定執行機構限位開關。
③手動執行機構驅動閥門的閥芯接觸閥座。當閥桿開始軸向動作時,閥桿受力為執行機構盤簧的反作用力。
④繼續向同一方向驅動執行機構,直到執行機構盤簧被壓縮到盤簧圖所示相應數值。這樣保證關斷力,防止泄漏。
整機調試
用戶在選購智能型PSL直行程電動執行機構與閥門進行安裝組合調試時,請注意!
①PSL執行器與閥門連接組合前,請將執行器中的電位器滑塊上的壓緊彈簧脫離開,使電位器齒輪與齒條板分開,避免執行器在運行時將電位器損壞(切記)。
②見圖1,當PSL執行器與閥門連接組合好后,調正齒條板上的兩個凸塊來確定調節閥的所需行程大小。
④執行機構與閥門安裝連接組合后,在調試中必須做到三位同步:閥門位置、行程開關位置 、控制板信號位置。
2、閥位位置自動定位操作
同時按下
鍵和
鍵5秒鐘,閥位自整定AT燈亮,即可松手,控制器自動對閥門位置進行了字位測量,自動確定控制零位和滿度,且同時也自動確定閥位的零位和滿度。PSAP4智能控制器(如有圖所示)
1、面板說明及操作說明
①閥門位置自動定位指示燈(簡稱:自整定AT指示燈)
②執行器輸出軸朝上運行指示燈
③執行器輸出軸朝下運行指示燈
④手動控制指示燈
⑤自動控制指示燈
⑥報警指示燈
⑦參數設置鍵(兼參數顯示操作)
⑧數據鍵(兼手動朝上操作)
⑨數據鍵(兼手動朝下操作)
⑩數據修改移位鍵(兼手動/自動切換操作)
?控制值顯示窗/故障信息顯示窗(前三位數值)
?閥位值顯示窗(后三位數值)
2、PSAP4智能控制器數碼顯示狀態
①控制值顯示:前三位數值:表示控制信號%值
②閥位值顯示:后三位數值:表示閥位%值
③故障信息顯示:前三位值Er.1:表示閥位電位器有故障;前三位值Er.2:表示輸入控制信號有故障;前三位值Er.3:表示執行器有堵轉故障。
